Graphical Abstract
Metrics
Speed Control of Three Phase Induction Motor using Space Vector Width Modulation (SVPWM) Technique with PI Controller
Corresponding Author(s) : Iswadi Hasyim Rosma
Journal of Applied Materials and Technology,
Vol. 4 No. 1 (2022): September 2022
License
Copyright (c) 2023 Iswadi Hasyim Rosma, Amir Hamzah, A. Ludfi Nur Kasan, Abubakar Abdulkarim, Sobhy Abdelkader

This work is licensed under a Creative Commons Attribution 4.0 International License.
Abstract
This article aimed to design and simulated the speed control of a three-phase induction motor using a PI controller with Space Vector Pulse width modulation technique. The induction motor used in this article is was designed at the Electrical Energy Conversion Laboratory, Riau University, with a power of 1.1 kW, 380 V, 2-pole. Meanwhile, the PI controller constants used in designing this induction motor were determined using the Fine Tunning method to obtain KP and KI values of 3.539 and 9.526, respectively. The tests were carried out by running simulations in three conditions, namely no load, full load, and variable load at a speed of 2800 rpm. The test results showed that the use of a PI controller can improve the speed response of induction motors by eliminating the steady state error. This is in addition to increasing the rise time response of the motor speed by 0.012s and 0.046s at no load and full load, respectively, when the rise time analysis is at the same value. It can also accelerate the motor to reach a peak speed of 0.247 s and 0.166s at no load and full load. In addition, SPVWM with PI controller can maintain speed setting even though there is a load change during operation, which can be verified with load testing.
Keywords
Full Article
Introduction
An induction motor is an electric machine widely used in large-scale manufacturing, mining, and transportation industries on a daily basis. This is because the construction of an induction motor is sturdy, reliable, and easy to use due to its good working characteristics [1].
Asides from their advantage`s, induction motors have disadvantages in speed control where is theoretically can be obtained by changing the number of pole or the AC frequency supply. Changing the pole number is not the best option since it also means changing the construction of the motor. However, changing the ac frequency supply value does not affect the induction motor construction, indicating it will be easier to adapt [2].
A power supply device, such as an inverter, is needed to provide a source with variable voltage and frequency. The inverter adjusts the frequency and output voltage by controlling the pulse width modulation (PWM) for on/off six switching elements. Furthermore, it is designed to control V/F and speed with lower losses [3]. One of the PWM control techniques is space vector pulse width modulation (SVPWM). It is an advanced technique for generating sine waves with a better voltage than other modulation techniques. It can also reduce the harmonic content of the inverter output voltage [4].
This article discusses the speed control of induction motor by using SVPWM inverter combined with PI controller to improve the speed response and eliminate the steady state error [5]. Subsequently, the analysis was carried out by comparing the performance of speed control between SVPWM with PI Controller and without PI controller. Therefore, it expect to provide speed control of induction motor with better performances.
Method
Induction motor is one of the AC motors whose phase angle and current vector (vector modulo) must be controlled when controlling its speed. To be able to control the speed of the induction motor is not the same as the DC motor that can be controlled only by controlling the voltage [6]. One way to control the speed of the induction motor is to change the supply frequency and voltage. This can be realized by designing an inverter as a power supply source for an induction motor that can vary the frequency and voltage. In designing an inverter, the selection of a modulation technique is very necessary because the modulation technique used can determine the characteristics of the output voltage. To be able to produce the maximum output voltage, it can be implemented by using SVPWM modulation technique [7]. The SVPWM modulation technique basically uses the principle of voltage to time balance to analyze the reference voltage vector to create switching pattern in the inverter. The switching pattern produced by the SVPWM modulation technique can produce better sinusoidal voltages, as well as having a lower total harmonic distortion [8]. To obtain a better speed control of the induction motor, the SVPWM modulation technique can be combined with the Proportional and Integral (PI) controller to eliminate steady state errors and improve the speed response of the induction motor [9].
The PI controller is a combination of two controllers, namely Proportional and Integral to get a better system response. This PI is carried out to produce a response with the characteristics of each controller that can complement each other to obtain a more efficient control response [10]. The parameters of PI controllers in the system need to be tuned to get the best system response. There are several methods used in determining the parameters of the PI controller that have different analytical characteristics. One of the methods of tuning the PI controller is fine tuning which has good tuning characteristics although it takes a long time to get the parameters of each control action used [11].
In determining PI parameters with the fine-tuning method, in this article, several stages that must be followed, such as determining the transfer function of the system to be controlled. The Harriot method was used for determining the transfer function of the 2nd order system in three-phase induction motor [12].
After obtaining the transfer function from the actual system, the PI controller parameters can be determined using the fine-tuning method until the best value of PI controller parameters are obtained. The requirements for the controller's response in determining the PI controller parameters in the motor speed control system include [13]]: • Settling time (TS) response curve speed < 2 seconds • Induction motor speed overshoot < 5% • Error steady state (ESS) motor speed < 1%]
Simulation Design
The simulation design was carried out by using following steps, namely: data collection, power system modelling without PI controller and power system modelling with PI controller.
Data Collection
Induction Motor parameters data were collected from an actual machine (a three phase 1.1 kW, 2 poles, 380 Volt, Star winding, rated current 2.7 Ampere) at the laboratory of Electrical Energy Conversion Laboratory to obtain equivalent circuit of the motor. These parameters were determined by carrying out a series of tests, which include DC voltage test, lock rotor, and and no-load test [14] .
The equivalent circuit is very useful for system modeling to analyze the behavior of Motor. Furthermore, these parameters data were used in the simulation design by using Matlab/Simulink Programming Packet. Table 1 shows the induction parameters of three-phase induction motor parameters.
| Parameter | Value |
| Motor Power | 1.1 kW |
| Nominal Voltage | 380 V |
| Frequency | 50 Hz |
| Motor Type | Squirrel Cage Rotor |
| Power Factor | 0.8 |
| Speed | 2800 rpm |
| Nominal Current | 2.7 A |
| Stator Resistance | 6.3 \(\Omega)\ |
| Stator Inductance | 0.02134 H |
| Rotor Resistance | 7.15 \(Omega)\ |
| Rotor Inductance | 0.02134 H |
| Mutual Inductance | 0.4099 H |
| Number of Poles | 2 |
The amount of DC source needed to generate a 380 Vac voltage with the SVPWM modulation technique can be derived and calculated using equation below [15]:
\begin{equation} V_{max}=\frac{V_{dc}}{\sqrt{3}}, V_{max-rms}=\frac{V_{max}}{\sqrt{3}}, _{max}V_{l-l-rms}=0.707\times {V_{dc}} \tag{1} \end{equation}
Therefore, the inverter DC voltage value can be calculated : \(380V = 0.707xVdc\), \(Vdc = 537.5 V\)
The amount of current flowing during operation must then be considered to determine IGBT specifications. The inverter design can be carried out at a motor load of 1.1 kW and 2 kW. The current flowing was calculated from dc power as follows:
\begin{equation} P=V\times I, \rightarrow 2\times 10^{3} = 537.5\times I\rightarrow I=3.7A \tag{2} \end{equation}
Based on the calculation result, it suggests to use the IGBT to be able to carry a load current up to 3.7 Amperes at a voltage rating of 537.5 Volts such as N-channel GT20J321 type. The selection of the IGBT component is based on numerous advantages, including high-speed switching and better working characteristics compared to other components [16].
System Model Design
The model is implemented by using MATLAB/Simulink programming packet, where the algorithm and specifications are adapted to the model. The system is divided into two models, namely SVPWM inverter with PI controller and without PI controller which are described in the following subsections.
Speed Control by using SPVWM Inverter without PI Controller
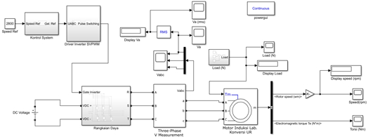
The system modelled in this type of speed control system includes an inverter control system with SVPWM modulation technique algorithm, inverter power circuit and induction motor whose parameters are obtain from an induction motor at The Electrical Energy Conversion Laboratory of Universitas Riau, Indonesia. The system model without PI controller is shown in Figure 1.
Figure 1.Figure 1. Speed Control using SPVWM Inverter without PI Controller
Speed Control by using SPVWM Inverter with PI Controller
Basically, the system implemented in the MATLAB/Simulink programming packet uses the same design as the previous speed control system, expect with the addition of PI controller. The addition of the PI controller aims to improve signal errors. The signal error is coming from the comparison of speed setting with the actual speed of the induction motor, so that the actual speed will equal the targeted speed. The system design using the PI controller can be seen in Figure 2 below.
Figure 2.Figure 2. Speed Control using SPVWM Inverter with PI Controller
Results and Data Analysis
This section discusses the determination of the PI controller parameters and analyzing the speed response performance of induction motors after designing the system. Tests were carried out from an open and a closed loop system model. Therefore, the effect of adding a PI controller on the induction motor speed control system can be determined.
PI Controller Parameter Determination
As explained in the research methods section, the mechanism for determining the PI constant is carried out using the fine-tuning method based on the transfer function of the actual system. Based on these steps, the most appropriate P and I controller parameters with the best response and have met the requirements are obtained at the value of KP = 3.539 and the value of KI = 9.526.
Three-Phase Induction Motor Speed Response
After the design of induction motor speed control with SVPWM modulation technique with and without PI controller using MATLAB / Simulink, the next stage is to conduct a test to see the effect of using PI controllers on the resulting speed response. The test is carried out in two circumstances, namely carrying out a gradual speed input in this case 3000 to 2000 rpm in a no-load state with the test results shown in Table 2.
| Setting Speed | Without PI Controller | With PI Controller | ||
| Frequency | Speed | Frequency | Speed | |
| 3000 | 50 | 2998 | 50.08 | 3000 |
| 2800 | 46.67 | 2798 | 46.71 | 2800 |
| 2600 | 43.33 | 2598 | 43.39 | 2600 |
| 2400 | 40 | 2398 | 40.05 | 2400 |
| 2200 | 36.67 | 2198 | 36.7 | 2200 |
| 2000 | 33.33 | 1998 | 33.37 | 2000 |
Based on Table 2, it can be seen the speed response obtained when using SVPWM without a PI controller has a difference with the setting speed, this is due to the inverter control using the frequency calculation equation based on the motor synchronous speed value. Therefore, the setting speed is similar to the synchronous speed and the difference between the setting speed and the measured speed is the induction motor slip. Meanwhile, when using SVPWM with PI controller, the inverter output frequency is an addition between setting frequency and the error frequency, producing the speed value that matches the setting speed. Furthermore, testing has been carried out to determine the characteristics of speed control against load changes with a speed setting of 2800 rpm. The change in load is given gradually from 0.75 N to 3.75 N according to the capabilities of the motor. The results of the tests can be shown in Table 3.
| Load | Without PI Controller | With PI Controller | ||
| Frequency | Speed | Frequency | Speed | |
| 0.75 N | 46.67 | 2759 | 47.37 | 2800 |
| 1.75 N | 46.67 | 2703 | 48.3 | 2800 |
| 2.75 N | 46.67 | 2642 | 49.31 | 2800 |
| 3.75 N | 46.67 | 2576 | 50.39 | 2800 |
Table 3 shows the performance of a speed control system without PI controller where the setting speed cannot be achieved exactly like speed-setting when the load has variations. The additional load on the motor decreases the motor speed. This occurs because the greater the motor load and slip, the lower the speed.
Like the speed control with PI controller, the slip value of the motor also increases in the event of additional load. However, the use of speed control with PI results in a relatively more precise speed response and is not affected by changes in motor load. This is because the function of the close loop system of the PI controller is capable of correcting signal errors, so that the control system adjusts to get the same speed as the setting speed. The use of control system with PI for close loop system makes the setting speed and the speed error as the inverter control input signal. This causes the frequency produced by the inverter to be influenced by the measured speed, if the difference between the setting speed and the actual speed is greater, the frequency will also increase. Therefore, the motor speed remains at the setting value.
Performance Analysis of Induction Motor Speed Response
To determine the characteristics of the speed response of the induction motor speed control, it is necessary to conduct a performance of control system based on the time response to obtain a few parameters, such as: such as delay time, rise time, peak time, maximum overshoot, settling time and steady state error. To carry out this analysis, 3 tests were conducted, namely: no load test, full load test and load variation test where these tests were conducted at speed setting 2800 RPM.
Speed Control with No Load Test
Zero load testing is performed when the motor is not loaded. The induction motor is supplied by designed speed control with a speed setting of 2800 RPM. The speed response with and without PI Controller during no load testing can be shown in Figure 3.
Figure 3.Figure 3. No Load Induction Motor Speed Response with and Without PI Controller
It can be seen from Figure 3 the speed response when the motor used speed control with PI controller (red line) and without PI controller (blue line). In general, the performance of both speed control has a small difference. This is because the induction motor is operated in a no-load condition. Therefore, actual speed is close to the speed setting (2800 RPM). Furthermore, Table 4 shows the speed response performance for no load condition when induction motor supply by SVPWM inverter with and without PI controller.
| Response Analysis | No Load | |
| Without PI Controller | With PI Controller | |
| td | 0.10 s | 0.109 s |
| tr | 0.172 s | 0.16 s |
| tp | 0.466 s | 0.219 s |
| Mp | 0% | 0.607% |
| ts | 0.297 s | 0.197 s |
| ess | 2 rpm | 0 rpm |
Table 4 shows the performance of speed control with and without PI when induction motor under no load condition. It can be understood the difference in each control system performance. The difference between the two is the effect of using a PI controller on the systems where the steady state error is nearly zero for speed control with PI Controller. Furthermore, Figure 4 shows the system's frequency response with and without a PI controller.
Figure 4.
The system's frequency response with the PI controller has varying values at a maximum of 55 Hz. This is because the difference between the measured speeds is far from the system setpoint. The rise time response is faster; however, it still has an overshot as shown in Table 4. Furthermore, when the speed response reaches the setpoint value, the system frequency becomes 46.71 Hz, which is higher than the setting frequency used to eliminate the steady-state error
Full Load Induction Motor Speed Control with Full load Test
The next test is the full load induction motor speed control carried out by applying a load to the motor at a capacity of 3.75 N. The speed response results produced in this test are shown in Figure 5. In Figure 5, the speed response in red and blue indicate the system with and without a PI controller. When operated under full load, the induction motor has a different response, where the overshoot in the system using the PI controller is quite large, with a steady state speed value of 2800 rpm. Analysis of speed response performance in Figure 5 is shown in Table 5.
Figure 5.Figure 5. Speed Response of Full Load Test of Induction Motor Speed Control with and Without PI Controller
insert figure
| Response Analysis | Full Load | |
| Without PI Controller | With PI Controller | |
| td | 0.153 s | 0.167 s |
| tr | 0.24 s | 0.247 s |
| tp | 0.6 s | 0.434 s |
| Mp | 0% | 9.64% |
| ts | 0.314 s | 0.744 s |
| ess | 224 rpm | 0 rpm |
Table 5 shows the difference in each performance response between full-load induction motor tests with and without a PI controller. The use of a PI controller produces a worse response compared to when it is not used. However, the resulting response is better because the performance analysis calculation system uses a steady state response, at a speed of 2576 rpm and 2800 rpm, without and with the PI controller.
Performance analysis based on the steady-state value makes the speed response without a PI controller better. However, when analyzed at the same value of 280 rpm to 2520 rpm, it produces a response of 0.247 s and 0.293 s, with and without the PI controller. The resulting speed response is closely related to the frequency of the controlled variable and speed. The frequency response is shown in Figure 6.
In Figure 6, the system's frequency response with and without a PI controller is red and blue, respectively. In the response without a PI controller, the constant frequency value at 46.67 Hz corresponds to a synchronous speed of 2800 rpm. This value makes the motor's synchronous speed also constant when given a full load. The increase in slip value decreases the motor speed at a difference of 224 rpm.
The frequency response of the system with a PI controller has varying values. At the initial stage, it is at a maximum value of 55 Hz for a longer time due to the slow increase in speed response at full load. This resulted in a fairly large overshoot, as shown in Table 4. Furthermore, when the speed response reaches the setpoint value, the system frequency becomes 50.39 Hz, which is considerably different from the response without a PI controller. This is because the frequency response in the system with the PI controller is the sum of the setting frequency and the error signal frequency, which increases to gain the speed according to the setting.
Figure 6.Figure 6. Frequency Response of Full Load Test of Induction Motor Speed Control with and Without PI Controller
Induction Motor Speed Control with load dynamic Test
The variable load induction motor speed control test is carried out by providing an induction motor speed input of 2800 rpm using loads varying in accordance with the specified nominal and time. Changes in load are made when the motor has been operating in a steady state, with the nominal and time shown in Figure 7.
Figure 7.Figure 7. Induction Motor Load Variation
The load above is given to the induction motor, and the system's impunity analyzes disturbance changes. The speed response of an induction motor with a load, according to Figure 7, is shown in Figure 8. The speed response in the system without a PI controller is blue, as shown in Figure 8. Changes in load impact the rotation with a time response performance analysis of zero because the system was initially run in a no load state. However, there are differences in steady-state error values due to changes in load, as shown in the time response analysis in Figure 8 .
Figure 8.Figure 8. Speed Response of Load Dynamic Test of Induction Motor Speed Control with and without PI Controller
Table 6 shows the difference in each performance response with and without a PI controller in the variable load induction motor test. The performance response of delay, rise, peak, maximum overshoot, and settling time has the same value as the test at no load. The difference is that the resulting steady-state error varies due to variations in the loads given. Furthermore, the load changes do not impact the steady-state error generated by the system without a PI controller. This occurs because a PI controller tries to maintain the speed according to the setting by changing the frequency, as shown in Figure 9.
| Response Analysis | Variable Load | |
| Without PI Controller | With PI Controller | |
| td | 0.1 s | 0.109 s |
| tr | 0.172 s | 0.16 s |
| tp | 0.466 s | 0.219 s |
| Mp | 0% | 0.607% |
| ts | 0.297 s | 0.197 s |
| ess-1 | 2 rpm | 0 rpm |
| ess-2 | 224 rpm | 0 rpm |
| ess-3 | 105 rpm | 0 rpm |
In Figure 9, the system's frequency response with and without the PI controller is red and blue. Based on this analysis, the frequency difference between the two is quite clear. Additionally, the response without a PI controller has a constant frequency value of 46.67 Hz, corresponding to the frequency value at a synchronous speed of 2800 rpm. This constant frequency value makes the synchronous speed of the motor also constant. Changes in load also affect the speed due to the rotation of the induction motor, which produces various steady-state error values according to the amount of load.
The frequency response changes according to the load in a system with a PI controller. The change in the frequency magnitude is the effect of using the PI controller, which tries to maintain the motor speed at the setpoint value with an increase in the slip value. Since the motor slip value is difficult to control, another solution to keep the speed at the setpoint value is to increase the synchronous speed by raising the source frequency.
Changes in the system's frequency response make the PI controller have varying values at an initial frequency of 55 Hz. Furthermore, at load conditions of 0, 3.75 and 1.875, the frequency values are 46.71 Hz, 50.39 Hz and 48.43 Hz, respectively. Changes in the frequency value are not constant but occur slowly in accordance with speed, which aims to maintain the speed value at the setpoint. Furthermore, it takes time for the speed to return to the setting value when there is a disturbance.
Figure 9.Figure 9. Frequency Response of Variable Dynamic Load Test of Induction Motor Speed Control with and Without PI Controller
The time needed by the system to maintain the speed at the setting value is 2.25 s. When the load is increased to 3.75 N at no load, a speed drop of 54 rpm is obtained. Furthermore, when the load is reduced by 1.875 N, the motor experiences a speed jump of 30 rpm, and it takes 2.5 s to return to the setting speed of 2800 rpm. Similarly, when the motor is running at 1.875N at an initial no load, the motor experiences a speed spike of 30 rpm and takes 2.5 s to return to the initial setting.
Conclusion
In conclusion, the induction motor speed control system uses a synchronous frequency value based on the speed setting value produces a different speed response from the setting on a system without a PI controller because the present of induction motor slip caused by the load changes. In contrast, the system with PI controller produces a speed response according to the speed setting value as a function of the closed-loop system.
The use of SVPWM with PI controller for the three phase induction motor speed system with the SVPWM modulation technique is able to improve the speed response curve, specifically in eliminating the steady-state error. It also has the capability to accelerate the rise time response of the motor speed by 0.012 s and 0.046 s at no and full loads, respectively. This is achieved when the rise time analysis is at the same value. The motor speed response to reach peak values is also faster by 0.247 s and 0.166 s at no and full loads, respectively.
Not only improving the transient response, the SVPWM with PI controller is also capable of maintaining the speed response at the setting value when subjected to load changes on the motor. This can be proven when the load is increased by 3.75 N, with a speed drop of 54 rpm, which takes 2.25 s to return to the setting speed of 2800 rpm. When the load is reduced by 1.875 N, the motor experiences a speed jump of 30 rpm and takes 2.5 s to return to the setting speed of 2800 rpm. In contrast, the SVPWM without a PI controller produces a response influenced by the motor's load. The greater the load, the lower the motor speed, thereby increasing the steady-state error.
References
- Putra Faizal Ramadhan, Iskandar Eka, Abdul Kadir Rusdhianto, Santoso Ari, Bilfaqih Yusuf, Hady Mohamad Abdul. Construction Design, Modelling, and Parameter Computation Outer Rotor Induction Motor. JAREE (Journal on Advanced Research in Electrical Engineering). 2021; 5(2)DOI
- Theraja A. K. , Theraja B. L. Electrical Technology Volume I: Basic Electrical Engineering. S. Chand &companny LTD: New Delhi; 2005.
- Nandhini E., Sivaprakasam A.. A Review of Various Control Strategies Based on Space Vector Pulse Width Modulation for the Voltage Source Inverter. IETE Journal of Research. 2020; 68(5)DOI
- Vashishtha Shalini, Rekha K.R.. A Survey: Space Vector PWM (SVPWM) in 3φ Voltage Source Inverter (VSI). International Journal of Electrical and Computer Engineering (IJECE). 2018; 8(1)DOI
- Ibtisam Naveed, Adnan Sabir. Design and implementation of Open & Close Loop Speed control of ThreePhase Induction Motor Using PI Controller. International Journal of Engineering Research and General Science. 2018; 6(2)
- Harini Bernadeta Wuri. The Effect of Motor Parameters on the Induction Motor Speed Sensorless Control System using Luenberger Observer. International Journal of Applied Sciences and Smart Technologies. 2022; 4(1)DOI
- Lole P. R. , Adhav K. D. , Gholap S. D. , Karkade S. R. , Medewar P. G. . Speed Control of Induction Motor by Using Cyclo-converter. IOSR Journal of Electrical and Electronics Engineering (IOSR-JEEE). 2018.
- Singh Shweta , Tiwari A. N. . Simulation and Comparison of SPWM and SVPWM Control for Two Level Inverter. International Journal of Computing and Applications. 2018; 13(2)
- Aspalli M. S., Patil Sushma J.. Study of AI and PI controller using SVPWM technique for induction motor speed control. Journal of chemical information and computer sciences. 2017. DOI
- Chao Wang, Qiang Gao, Jing Tang. An Implementation Method of SVPWM Modulation Algorithm. IOP Conference Series: Materials Science and Engineering. 2019; 646(1)DOI
- Ogata Katsuhiko . Modern Control Engineering. Prentice Hall; 2010.
- Hisbullah Hisbullah, Jakfar Jakfar, Gafur Alidha , Putra Danang Pandu Perdana . Investigasi Kinerja Beberapa Metode Tuning Pengendali Pi Untuk Sistem Pengendalian Multiloop. Jurnal Inovasi Ramah Lingkungan. 2021; 2(3)
- DC Motor Speed: PID Controller Design. Control Tutorials For Matlab and Simulink.
- Zuhal Zuhal. Dasar teknik tenaga listrik dan elektronika daya. Gramedia Pustaka Utama: Jakarta; 1992.
- Purnata Hendi. Perancangan Inverter Tiga Fasa Menggunakan Metode Hysteresis Space Vector Pulse Width Modulation Untuk Pengendalian Motor Induksi Tiga Fasa. 2017.
- Niraj Kumar Shukla*1 Rajeev Srivastava2. Svpwm &amp; Spwm Controller Based Performance Evaluation Of Three Phase Induction Motor. Zenodo. 2017. DOI
Download Citation
Endnote/Zotero/Mendeley (RIS)BibTeX